Ga naar de inhoud
Welkom bij Uniconstruct
Geef uw postcode in om geholpen te worden door de partner van het Uniconstruct-netwerk in uw regio.

Werftellerkast 32a- full option- voorber. Digitaal

st

Omschrijving

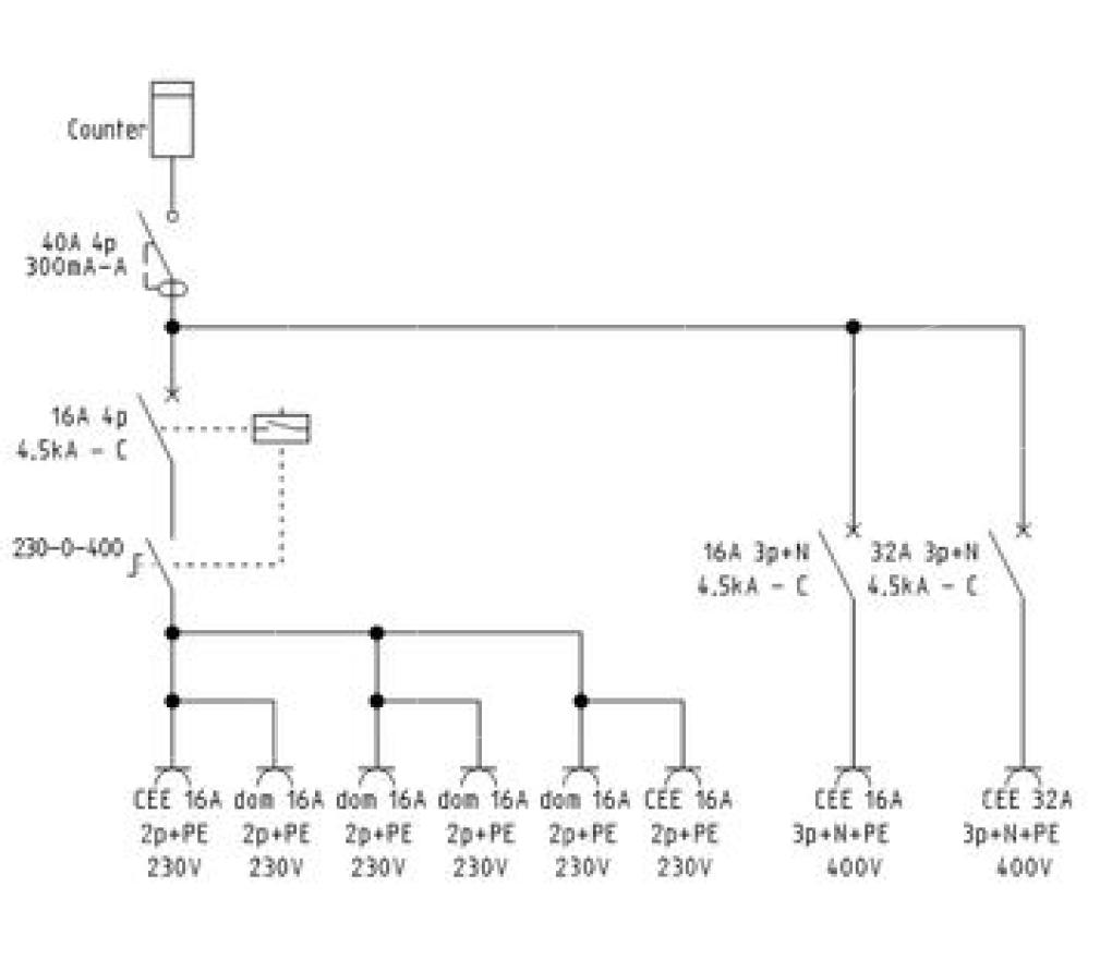
Werfkast met officiële telling voor gebruik op industriële werven.

Voordelen

  • Voorzien van een beveiliging tegen het verkeerd instellen van de netkeuzeschakelaar
  • Uitgerust met een aardingsonderbreker
  • Met kijkvenster voor de aflezing van de meterstand

Kenmerken

  • Materie: glasvezelversterkte polyester
  • Maximaal vermogen = 27,5kVA (max. 40A in een net van 3x400V+N)
  • Uitgerust met een verzegelbare netkeuzeschakelaar (positie "230V" voor een net 3x230V, positie "400V" voor een net 3x400V+N)
  • Afmetingen HxBxD: 747x536x300 mm
  • IP44
  • Uitgerust met een aansluitmodule 25D60
  • Voorzien van bevestigingsvoetjes voor muurmontage
  • Te vervolledigen met meetmodule in functie van de distrubutienetbeheerder (DNB):
    • voor de regio Ores en Resa: geen meetmodule nodig, deze wordt geleverd door de DNB (25S60)
    • voor de regio Fluvius: 25D60
    • voor de regio Sibelga: 25E60
  • Aansluitingen: 
    • 4 x 230V - 2p+A - 16A
    • 2x CEE 230V - 3p - 16A
    • 1 x CEE 400V - 5p - 16A
    • 1 x CEE 400V - 5p - 32A

Werftellerkast 32A full option + aansluitmodule 25x60 en netkeuze

Technische gegevens

Type product
full option

Offcanvas